- 洪湖蓝天空气泡沫产生器|泡沫发生器LTPC型
详细信息
品牌:洪湖蓝天 型号:LTPC型 尺寸:PC-4,PC-8,PC-16,PC-24 适用范围:油罐 空气泡沫产生器
(LTPC型)
一、产品简介
空气泡沫产生器又叫空气泡沫发生器,是装在油罐*上层圈板的罐壁上用于油罐灭火时喷射泡沫的消防装置。喷口用薄玻璃片(或隔膜)与罐内空气封隔,起到防止罐内油液或油气进入泡沫室或消防管道的作用。
二、选型及技术参数
1、选型
油罐安装泡沫发生器采用的类型和设置数量的多少,是根据油罐容量、储存油品的品种、油面的大小、以及泡沫种类,通过计算来确定的,但*少不得少于两个,而且还各有一根单独的消防管线来供应泡沫混合剂。
当泡沫消防车固定消防泵供给的泡沫混合液流,经输送管道通过产生器时,形成空气泡沫,扑灭油类火灾。一般有四种型号:PC-4,PC-8,PC-16,PC-24。
2、技术参数
① 型号 PC-4:工作压力为0.5MPa时,混全液为4升/秒,泡沫发生量为25升
② 型号 PC-8:工作压力为0.5MPa时,混全液为8升/秒,泡沫发生量为50升
③ 型号 PC-16:工作压力为0.5MPa时,混全液为16升/秒,泡沫发生量为100升
④ 型号PC-24:工作压力为0.5MPa时,混全液为24升/秒,泡沫发生量为150升
3、 工作压力范围0.2-0.5MPa。
4、 玻璃片在0.1-0.2MPa压力下被冲破。
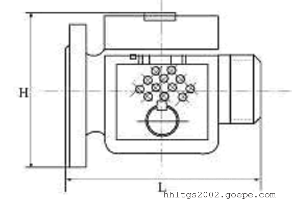
5、规格型号规格 L H PC-4 25升 216 170 PC-8 50升 228 190 PC-16 100升 230 210 PC-24 150升 234 230
三、结 构 原 理
空气泡沫产生器主要由壳体组、泡沫喷管组和导板组三个部份构成。
当泡沫混合液流过产生器喷嘴时,形成扩散的雾化射流,在其周围产生负压,从而吸入大量空气形成空气泡沫,空气泡沫通过泡沫喷管和导板输入贮罐内,沿罐壁淌下,平稳地覆盖在燃烧液面上。
空气泡沫产生器以下部分组成:1、密封玻璃2、玻璃压圈3、喷咀4、滤网5、罩板6、壳体 7、泡沫喷管组8、壳体组9、导板组
四、使用说明
- 空气泡沫产生器进口标定工作压力为0.5Mpa,也可以在0.3—0.5Mpa压力范围内使用,但混合量和泡沫量相应变化。
- 本产生器配有3%型和6%型普通空气泡沫液。
- 为防止易燃液体贮罐内气体蒸发外漏,壳体出口端必须安装密封玻璃。该玻璃一面刻有易碎裂痕,混合液流压力在0.1—0.2Mpa时即可冲碎。易碎裂痕一面应朝喷出口方向安装。
- 导板安装在贮罐内壁上,保证泡沫罐壁淌下、平稳地复盖在燃烧液面上,以提高灭火效果。
- 空气泡沫产生器进口管孔径不得小于规定的尺寸。
五、安装保养
- 空气泡沫产生器上有产品标牌,注明产品名称、型号、规格、制造日期和厂名,安装前要根据产品型号自行配制泡沫喷管组。
- 先将导板组装在贮罐内壁上,然后再装泡沫喷管组和壳体组,罩板应在上方。
- 安装结束后进行泡沫喷射试验一次,以观察喷射泡沫是否正常,水泵供水压力和产生器进口压力是否符合要求;管路有无渗漏现象等,*后安装好密封玻璃。
- 空气泡沫产生器整个管道必须保证畅通,要经常检查是否有堵塞现象。密封玻璃是否完好。
- 为了避免和减轻贮罐壁变形时对管道的破坏,*好在产生器进口管道中安装一段相同口径的金属软管。
-
















